Enhancing Productivity with the Repairable Wicket Punch Air Cylinder
Experience unmatched efficiency in poly bag production with our state-of-the-art Pneumatic Hole Puncher equipped with the Wicket Punch Air Cylinder. This precision tool is designed to streamline the hole punching process while ensuring exceptional quality. Repair kits are available to reduce your maintenance cost!
Key Features:
Pneumatic Hole Puncher: Our advanced pneumatic technology powers this hole puncher, enabling quick and precise perforations in poly bags.
Wicket Punch Air Cylinder: The integration of the Wicket Punch Air Cylinder adds a layer of control and reliability, ensuring consistent hole placement and size.
Air Blow Through Hole: With the inclusion of an air blow through hole, the air ejects the cut-out slugs every cycle which optimizes bag separation and handling, resulting in smoother punching operations.
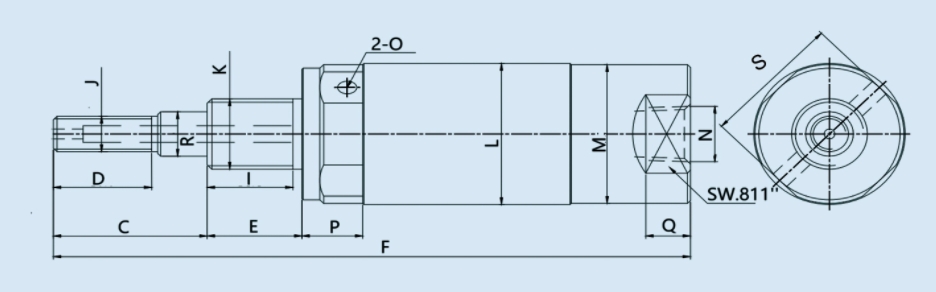
Bore diameter:3/4''
Stroke length: 3/4''
Port: 1/8NPT

Repair kits are available to reduce your maintenance cost!
Boost Your Production:
Maximize your productivity and minimize downtime with this innovative solution. Whether you're in the packaging industry or handling large-scale bag production, our Pneumatic Hole Puncher with the Wicket Punch Air Cylinder will significantly improve your workflow.
Quality Meets Efficiency:
At the intersection of precision and speed, our system delivers quality results with every punch. Stay ahead of the competition by optimizing your wicket bag production process.
Invest in efficiency, invest in quality—choose our Pneumatic Hole Puncher with the Wicket Punch Air Cylinder to elevate your packaging operations.

Key Highlights:
At the heart of our operation lies the ingenious application of hole punch cylinders. These remarkable tools are at the forefront of shaping the future of plastic bag manufacturing. Our dedicated team harnesses their power to create holes of diverse shapes and sizes, revolutionizing our product offerings.
Versatile Hole Punching Mastery:
Witness the versatility of these hole punch cylinders at play. From circular to custom-shaped perforations, these cylinders execute each task with precision. Observe as our skilled operators seamlessly adapt to various punching requirements, underscoring the adaptability of these powerful tools.
Elevated Production Efficiency:
The efficiency achieved with hole punch cylinders has propelled our production to new heights. This technology not only optimizes our operations but also ensures consistently superior poly bag quality, even under high-volume demands.
Quality Meets Efficiency:
Our commitment to delivering high-quality plastic bags remains unwavering. The marriage of precision and speed in hole punching ensures that every bag meets and exceeds industry standards. Witness firsthand how our dedication to excellence permeates every stage of our manufacturing process.
Choose Progress:
As pioneers in the plastic bag industry, we are proud to employ innovative solutions like wicket cylinder to achieve operational excellence. Join us on this journey to explore the future of plastic bag production.
Embrace precision, embrace progress—choose us for your plastic bag needs, where quality and efficiency converge.
Choose Quality and Precision:
Experience the transformative impact of hole punch cylinders in poly bag hole punching. At NTA, we prioritize quality, efficiency, and innovation to deliver nice quality holes for poly bags manufacturers that meet and exceed your expectations.
NTA supports small orders for end customers with shortest 2 days lead time.
NTA covers a total land area of 35,800 squre meters, structure area of 39,000 squre meters.
NTA provide a one-stop service including design, measurement, production, delivery and after-sales service.
NTA offers one stop purchasing for pneumatic components.
QUICK LINKS
We are confident to say that our customization service is outsatnding.





