Titan Automation- leading pneumatic cylinders manufacturer & supplier specializing in pneumatic air cylinders for industrial automation needs.
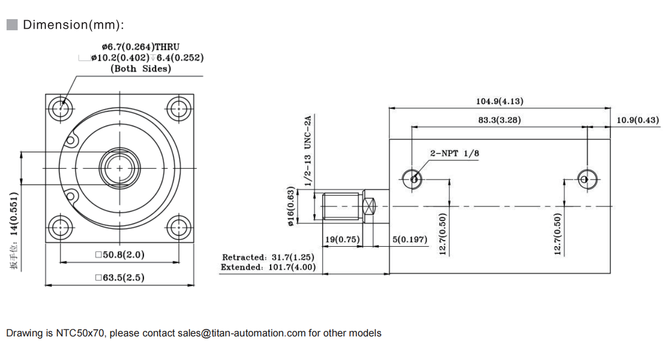
NTA series NTC square flat air cylinders with their square and compact design can be used in various of applications. Their smooth cylinder body together made by hard anodized aluminium material, include a clean appearance and no spaces for dirt and debris to collect, make the cylinder ideal for the beverage industry, machine tool manufacturing, packaging, printing, food processing and some other applications with high requirements of limited cylinder size. They are dimensionally interchangeable with Bimba flat pneumatic cylinder. You can use cylinders together with our air directional valves, pneumatic push in fittings, speed contollers and other pneumatic parts.
Brand Name: NTA
Cylinder standard: Compact Cylinder
Bore ID range: 50mm
Motion: Double acting
Fluid: Compressed air
Working pressure: 14.5~145Psi
Cushion type: Bumper
Ambient temperature: -10~70℃
Port size: 1/8''NPT


0086-136 1656 9784
0086 136 1656 9784
0086 136 1656 9784
0086-574-8702 2814
www.titan-automation.com
NO.188,Nanshan North Road,Ningbo City,Zhejiang Province, China.