loading

Titan Automation- leading pneumatic cylinders manufacturer & supplier specializing in pneumatic air cylinders for industrial automation needs.

U Series Filter+Regulator+Lubricator 1
U Series Filter+Regulator+Lubricator 1

U Series Filter+Regulator+Lubricator

NTA U series Filter regulator lubricator is an Integrated filter, regulator and lubricator units made in China, it saves space and require less piping. Easy to hold when unlocked.  it is a reliable compressed air preparation for applications in uncritical environments, freely combinable within the NTA U series FRL. Polycarbonate or metal bow guard are optional for UFRL-02 to UFRL-08 , port thread 1/4'', 3/8'', 1/2'', 3/4'', 1''. Working pressure from 0.15MPa to 0.85MPa. Max flowrate from 1850L/min to 8100L/min. Grade of filtration 40 µm and 5 µm optional. Differential pressure drain and auto drain are available, special guide structure makes the flowing gas spin properly to seperate the water from compressed air and filter solid particals efficiently. The complete series of filter regulator lubricator is offered with pressure gauge.                                

Workingpressure
0.15~0.85MPa
Maxflowrate
1850~8100L/min
Fluid
Compressedair
Filterprecision
5μm or 40μm
Portsizte
G1/4·G3/8·G1/2·G3/4·G1

    oops...!

    no product data.

    Go to homepage

    Specification

    U Series Filter+Regulator+Lubricator 2

    U Series Filter+Regulator+Lubricator 3



    How to order

    QQ截图20200310210200.jpg

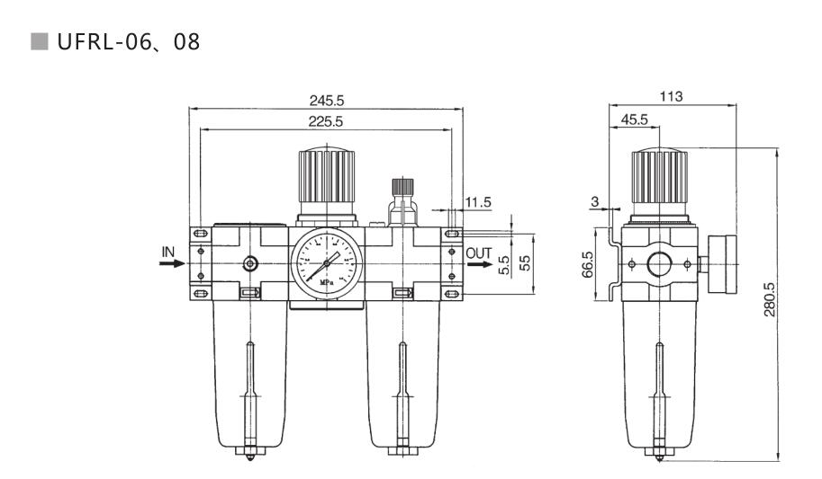
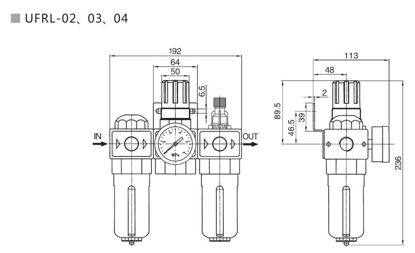
    Drawings

    U Series Filter+Regulator+Lubricator 5

    U Series Filter+Regulator+Lubricator 6

    U Series Filter+Regulator+Lubricator 7

    U Series Filter+Regulator+Lubricator 8











    Recommended
    Best U Series Air Filter Regulator Wholesale Manufacturer
    NTA UFR Filter regulator is an Integrated filter and regulator units made in China,  it saves space and require less piping. Easy to hold when unlocked. it is a reliable compressed air preparation for applications in uncritical environments, freely combinable within the NTA U series FRL. Polycarbonate or metal bow guard are optional for UFR-02 to UFR-08, port thread 1/4'', 3/8'', 1/2'', 3/4'', 1''. Working pressure from 0.05MPa to 0.85MPa. Max flowrate from 1850L/min to 8100L/min. Grade of filtration 40 µm and 5 µm optional. Differential pressure drain and auto drain are available, special guide structure makes the flowing gas spin properly to seperate the water from compressed air and filter solid particals efficiently.  The complete series of filter regulator is offered with pressure gauge.
    U Series Regulator, Compressed Air Regulator China Suppliers
    NTA UR regulator is a compressed air regulator unit made in China,  it saves space and require less piping. Easy to hold when unlocked. it is a reliable compressed air preparation for applications in uncritical environments, freely combinable within the NTA U series FRL. Port thread 1/4'', 3/8'', 1/2'', 3/4'', 1''. Working pressure from 0.05MPa to 0.85MPa. Max flowrate from 1850L/min to 8100L/min. The complete series of regulator is offered with pressure gauge. Panel mounting and fixed bracket mounting is optional.
    U Series Filter
    NTA UF Filter is a filter unit made in China, it saves space and require less piping.  it is a reliable compressed air preparation for applications in uncritical environments, freely combinable within the NTA U series FRL. Polycarbonate or metal bow guard are optional for UF-02 to UF-08, port thread 1/4'', 3/8'', 1/2'', 3/4'', 1''. Working pressure from 0.05MPa to 0.85MPa. Max flowrate from 1850L/min to 8100L/min. Grade of filtration 40 µm and 5 µm optional. Differential pressure drain and auto drain are available, special guide structure makes the flowing gas spin properly to seperate the water from compressed air and filter solid particals efficiently.
    U Series Lubricator
    NTA UL lubricator is a lubricator unit made in China,  it saves space and require less piping. It is a reliable compressed air preparation for applications in uncritical environments, freely combinable within the NTA U series FRL. Polycarbonate or metal bow guard are optional for UL-02 to UL-08, port thread 1/4'', 3/8'', 1/2'', 3/4'', 1''. Working pressure from 0.05MPa to 0.85MPa. Max flowrate from 1850L/min to 8100L/min. Fixed bracket mounting is optional.
    no data
    Send your inquiry
    Related Products
    no data

    Titan Automation - Professional pneumatic cylinder, air filter regulator, solenoid valve and pneumatic fitting supplier & manufacturer in China

    CONTACT US

      0086-136 1656 9784
      0086 136 1656 9784
      0086 136 1656 9784
      0086-574-8721 1981
      0086-574-8702 2814
      www.titan-automation.com

      jet@titan-automation.com

      NO.188,Nanshan North Road,Ningbo City,Zhejiang Province, China.
    Please contact us

    We are confident to say that our customization service is outsatnding.

    Copyright © 2025 NINGBO TITAN INDUSTRIAL AUTOMATION CO.,LTD. - www.titan-automation.com All Rights Reserved. | Sitemap
    Customer service
    detect