loading

Titan Automation- leading pneumatic cylinders manufacturer & supplier specializing in pneumatic air cylinders for industrial automation needs.

V5100 Series 5/2 or 5/3 Pneumatic Directional Control Valve 1
V5100 Series 5/2 or 5/3 Pneumatic Directional Control Valve 1

V5100 Series 5/2 or 5/3 Pneumatic Directional Control Valve

0.15~0.8MPa                                
5 port 2 position/5 port 3 position                                
Air filtered by 40μm filter element                                
Internal pilot                                
M5x0.8 ·G1/8                                

Workingpressure
0.15~0.8MPa
Valvetype
5port2position/5port3position
Fluid
Airfilteredby40¼mfilterelement
Actingtype
Internalpilot
Portsizte
M5x0.8·G1/8
5.0
design customization

    oops...!

    no product data.

    Go to homepage

    Specification

    V5100 Series 5/2 or 5/3 Pneumatic Directional Control Valve 2

    V5100 Series 5/2 or 5/3 Pneumatic Directional Control Valve 3

    How to order

    QQ截图20200311205841.jpg

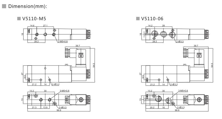
    Drawings

    V5100 Series 5/2 or 5/3 Pneumatic Directional Control Valve 5

    V5100 Series 5/2 or 5/3 Pneumatic Directional Control Valve 6

    V5100 Series 5/2 or 5/3 Pneumatic Directional Control Valve 7

    V5100 Series 5/2 or 5/3 Pneumatic Directional Control Valve 8




















    Recommended
    V3300 Series 3/2 Pneumatic Directional Control Valve
    0.15~0.8MPa
                                   3 port 2 position
                                   Air filtered by 40μm filter element
                                   Internal pilot
                                   G1/4 ·G3/8
    V5400 Series 5/2 or 5/3 Pneumatic Directional Control Valve
    0.15~0.8MPa
                                   5 port 2 position/5 port 3 position
                                   Air filtered by 40μm filter element
                                   Internal pilot
                                   G1/2
    M5300(NAMUR) Series 5/2 or 5/3 Pneumatic Directional Control Valve
    0.15~0.8MPa
                                   5 port 2 position/5 port 3 position
                                   Air filtered by 40μm filter element
                                   Internal pilot
                                   G1/2
    M5200(NAMUR) Series 5/2 or 5/3 Pneumatic Directional Control Valve
    0.15~0.8MPa
                                   5 port 2 position/5 port 3 position
                                   Air filtered by 40μm filter element
                                   Internal pilot
                                   G1/8·G1/4
    no data
    Send your inquiry
    Related Products
    no data

    Titan Automation - Professional pneumatic cylinder, air filter regulator, solenoid valve and pneumatic fitting supplier & manufacturer in China

    CONTACT US

      0086-136 1656 9784
      0086 136 1656 9784
      0086 136 1656 9784
      0086-574-8721 1981
      0086-574-8702 2814
      www.titan-automation.com

      jet@titan-automation.com

      NO.188,Nanshan North Road,Ningbo City,Zhejiang Province, China.
    Please contact us

    We are confident to say that our customization service is outsatnding.

    Copyright © 2026 NINGBO TITAN INDUSTRIAL AUTOMATION CO.,LTD. - www.titan-automation.com All Rights Reserved. | Sitemap
    Contact us
    whatsapp
    Contact customer service
    Contact us
    whatsapp
    cancel
    Customer service
    detect