loading

Titan Automation- leading pneumatic cylinders manufacturer & supplier specializing in pneumatic air cylinders for industrial automation needs.

Dual Rod Pneumatic Cylinder Actuator NTA TN Made in China 1
Dual Rod Pneumatic Cylinder Actuator NTA TN Made in China 2
Dual Rod Pneumatic Cylinder Actuator NTA TN Made in China 1
Dual Rod Pneumatic Cylinder Actuator NTA TN Made in China 2

Dual Rod Pneumatic Cylinder Actuator NTA TN Made in China

NTA series TN twin rod pneumatic cylinder with a high-precision guide function suitable for pick & place applications, it is a compact and double piston high force cylinder with non-rotating function. For the single rod pneumatic cylinders, the rod can rotate freely when it extends and retracts. In most situations this rotation is not a problem but if the application requires high alignment, it can be a problem. Bore diameters range from 10mm to 32mm, and stroke lengths range from 10mm to 200mm. These double-acting pneumatic cylinders have a built-in magnet to use together with reed switch, PT, NPT or G thread types are available for inlet and outlet ports. It is designed with bumper cushions on both rear and front end caps. NTA is the high quality compact air cylinder company in China.
Bore ID range
32mm~100mm
Motion
Double acting
Fluid
Compressed air
Working pressure
0.1~1.0MPa
Cushion
Bumper
5.0
design customization

    oops...!

    no product data.

    Go to homepage

    Specification

    Dual Rod Pneumatic Cylinder Actuator NTA TN Made in China 3

    Dual Rod Pneumatic Cylinder Actuator NTA TN Made in China 4

    How to order

    QQ截图20200308214448.jpg

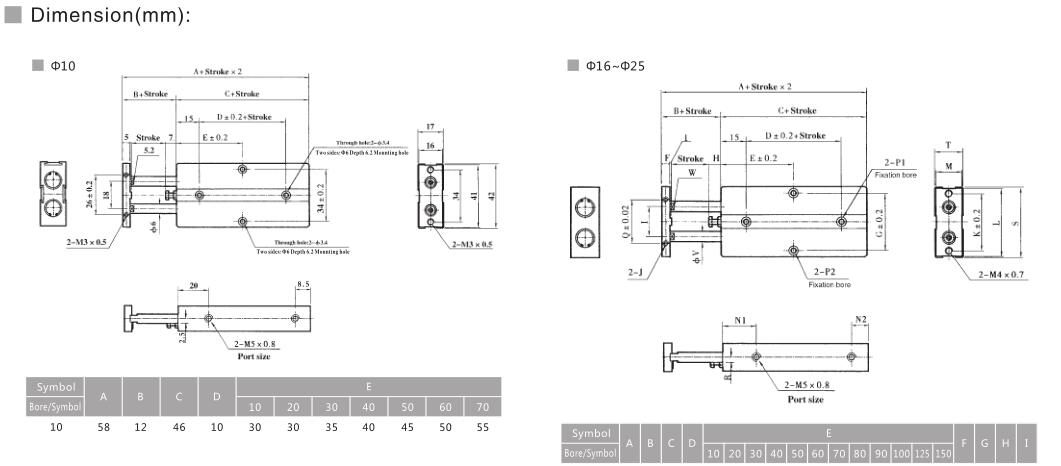
    Drawings

    Dual Rod Pneumatic Cylinder Actuator NTA TN Made in China 6

    Dual Rod Pneumatic Cylinder Actuator NTA TN Made in China 7







    Recommended
    Non Rotating Pneumatic Cylinder with Guide Rods NTA MGP for Limited Mounting Space
    NTA series MGP compact guided actuator is ideal for pneumatic automatic systems, industrial automation, and other demanding load-bearing automated processes, these high power linear actuators equiped with linear ball bearings and slide bearings with two hard chrome plated steel guide rods to provide high load ability, low deflection and low friction. Hard chrome coated steel guide rods prevent piston from rotation and raise lateral load capacity. Small auto switches or magnetic field resistant auto switches can be directly mounted on 2 surfaces. Varieties of mounting options are selectable for this guided compact pneumatic cylinder, agricultural machinery, farm equipment, amusement park machines, automobile manufacturers, cheese manufacturers, packaging machines, coal mining equipment, printers,textile machineries. Welcome to visit NTA, we manufacture a full range of pneumatic parts for your machines.
    Double Rod Double Shaft Air Cylinder NTA CXS for Automation System
    NTA series CXS dual rod pneumatic cylinder is a non-rotating pneumatic cylinder line for special applications where rod rotation is not acceptable. The cylinder´s outstanding, double shaft design provides high precision positioning and smooth linear movement for whole stroke which makes it ideal for various high-tech applications. Our CXS dual rod air cylinder is interchangeable with SMC CXS double piston cylinder. There are 5 bore sizes for your choice, stroke lengths from 10mm to 200mm, stroke in inch sizes are customizable. Inlet and outlet thread ports are available in BSPP, BSPT and NPT.Bumper cushions is installed between mounting block and front cap to extended service life. Welcome to email to sales@titan-automation.com for standard and customized cylinders.
    Dual Air Cylinder NTA HN for Manufacturing Automation
    NTA series HN mini free mount twin rod cylinder designed with two shafts provide additional stability for shear forces or side loads, this structure prevents rods from rotation, it is suitable for applications requires perfect alignment. Moreover, in some situations when the rod is used to apply force to an object, the the force of inertia can create a lateral torque force which can lead to inaccurate positioning. Furthermore, its compact and robust design gurantees long service cycles and free from maintanance. Operating pressure from 15 psi to 150 psi. Bore sizes range from 10-32mm with standard strokes from 10-200mm. Besides the standard sizes,we offer wide range of variants for customized applications. Welcome to contact the best pneumatic cylinder manufacturer in China sales@titan-automation.com for more pneumatic components prices.
    Quality Repairable Air Cylinders with 3/4'' Bore: Precision for Poly Bag Hole Punching Manufacturer | NTA
    Enhancing Productivity with the Repairable Wicket Punch Air CylinderExperience unmatched efficiency in poly bag production with our state-of-the-art Pneumatic Hole Puncher equipped with the Wicket Punch Air Cylinder. This precision tool is designed to streamline the hole punching process while ensuring exceptional quality. Repair kits are available to reduce your maintenance cost! Key Features:Pneumatic Hole Puncher: Our advanced pneumatic technology powers this hole puncher, enabling quick and precise perforations in poly bags.Wicket Punch Air Cylinder: The integration of the Wicket Punch Air Cylinder adds a layer of control and reliability, ensuring consistent hole placement and size.Air Blow Through Hole: With the inclusion of an air blow through hole, the air ejects the cut-out slugs every cycle which optimizes bag separation and handling, resulting in smoother punching operations.
    no data
    Send your inquiry
    Related Products
    no data

    Titan Automation - Professional pneumatic cylinder, air filter regulator, solenoid valve and pneumatic fitting supplier & manufacturer in China

    CONTACT US

      0086-136 1656 9784
      0086 136 1656 9784
      0086 136 1656 9784
      0086-574-8721 1981
      0086-574-8702 2814
      www.titan-automation.com

      jet@titan-automation.com

      NO.188,Nanshan North Road,Ningbo City,Zhejiang Province, China.
    Please contact us

    We are confident to say that our customization service is outsatnding.

    Copyright © 2025 NINGBO TITAN INDUSTRIAL AUTOMATION CO.,LTD. - www.titan-automation.com All Rights Reserved. | Sitemap
    Customer service
    detect