Titan Automation- leading pneumatic cylinders manufacturer & supplier specializing in pneumatic air cylinders for industrial automation needs.
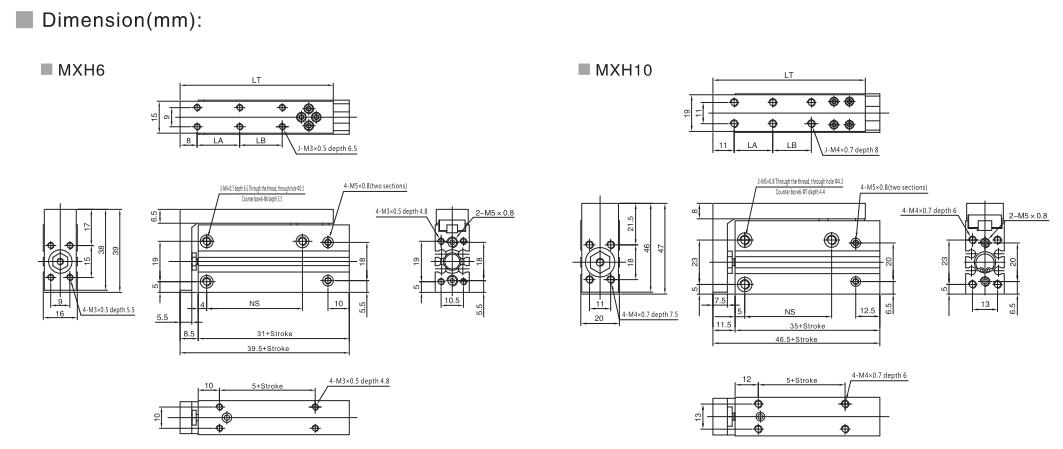
NTA MXH series compact slide pneumatic cylinder, with new high rigidity linear guide, high allowable movement, usful when long stroke/travel is required, design with air inlet and outlet ports and reed switch tracks that have a mirror-inverted structure for space-saving purpose.Its bearing material is designed for maximum strength with lowest friction for longest operating life.The pneumatic slides are suitable for analytical and diagnostic equipments, winemaking, automotive, bottling, electronic product manufacturing and biofuels applications.NTA Mini slide tables offer accurate guidance without play in a very narrow package.They have varieties of mounting and air supply solutions which makes the mini slide cylinder a truly universal handling automation component. Welcome to contact us for our distributors near your city







0086-136 1656 9784
0086 136 1656 9784
0086 136 1656 9784
0086-574-8702 2814
www.titan-automation.com
NO.188,Nanshan North Road,Ningbo City,Zhejiang Province, China.