loading

Titan Automation- leading pneumatic cylinders manufacturer & supplier specializing in pneumatic air cylinders for industrial automation needs.

DC Series Filter+Regulator+Lubricator 1
DC Series Filter+Regulator+Lubricator 2
DC Series Filter+Regulator+Lubricator 1
DC Series Filter+Regulator+Lubricator 2

DC Series Filter+Regulator+Lubricator

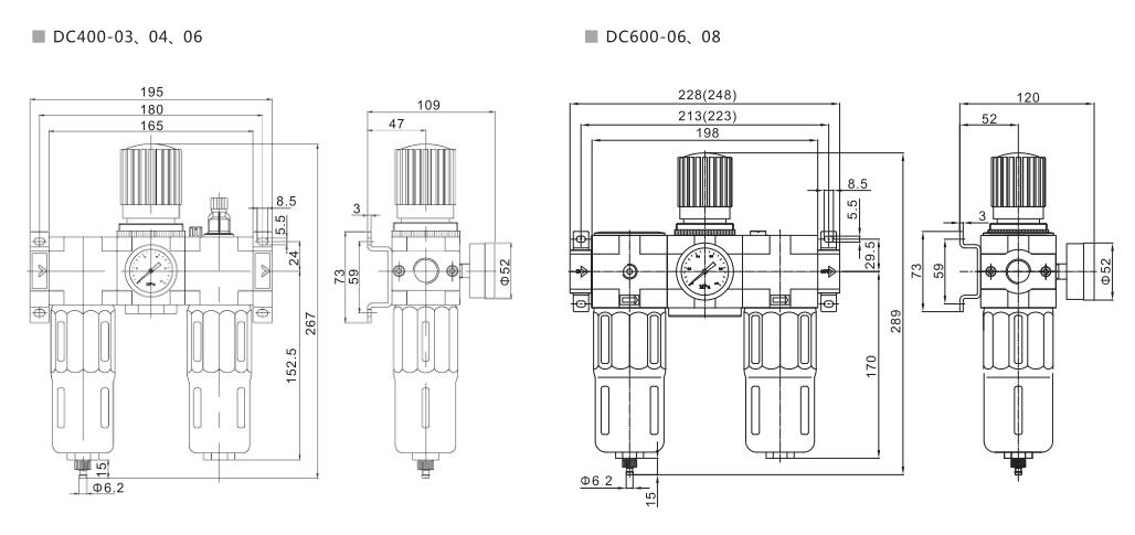
DC Filter regulator lubricator is an Integrated filter, regulator and lubricator units, it saves space and require less piping. Easy to hold when unlocked.  it is a reliable compressed air preparation for applications in uncritical environments, freely combinable within the NTA D series FRL.  DC 200 to DC600 have a metal bow guard, port thread M5, 1/8'', 1/4'', 3/8'', 1/2'', 3/4'', 1''. Working pressure from 0.15MPa to 1.2MPa, max input air pressure at 1.6MPa. Max flowrate from 500L/min to 11500L/min. Grade of filtration 40 µm and 5 µm optional. Differential pressure drain and auto drain are available, special guide structure makes the flowing gas spin properly to seperate the water from compressed air and filter solid particals efficiently.  The complete series of filter regulator lubricator is offered with pressure gauge.                                

Workingpressure
0.15~1.2MPa
Maxflowrate
500~11500L/min
Fluid
Compressedair
Filterprecision
5μm or 40μm
Portsizte
M5·G1/8·G1/4·G3/8·G1/2·G3/4·G1
5.0
design customization

    oops...!

    no product data.

    Go to homepage

    Specification

    DC Series Filter+Regulator+Lubricator 3

    DC Series Filter+Regulator+Lubricator 4

    How to order

    QQ截图20200309222539.jpg

    Drawings

    DC Series Filter+Regulator+Lubricator 6

    DC Series Filter+Regulator+Lubricator 7

    DC Series Filter+Regulator+Lubricator 8








    Recommended
    DL Compressed Air Lubricator
    DL compressed air lubricator is an ecnomic replacement of FESTO D series FRL LOE lubricator made in China,  it saves space and require less piping. It is a reliable compressed air preparation for applications in uncritical environments, freely combinable within the NTA D series FRL. DL 200 to DL600 have a metal bow guard, port thread M5, 1/8'', 1/4'', 3/8'', 1/2'', 3/4'', 1''. Working pressure from 0.15MPa to 1.2MPa, max input air pressure at 1.6MPa. Max flowrate from 500L/min to 11500L/min. Fixed bracket mounting is optional.
    DRB Regulator Combination
    0.15~1.2MPa
                                   500~11500 L/min
                                   Compressed air
                                   M5 ·G1/8·G1/4·G3/8·G1/2·G3/4·G1
    DFR Filter Regulator
    DFR Filter regulator is an Integrated filter and regulator units, it is an ecnomic replacement of FESTO D series FRL LFR/LFRS filter regulator made in China,  it saves space and require less piping. Easy to hold when unlocked. it is a reliable compressed air preparation for applications in uncritical environments, freely combinable within the NTA D series FRL. DFR 200 to DFR600 have a metal bow guard, port thread M5, 1/8'', 1/4'', 3/8'', 1/2'', 3/4'', 1''. Working pressure from 0.15MPa to 1.2MPa, max input air pressure at 1.6MPa. Max flowrate from 500L/min to 11500L/min. Grade of filtration 40 µm and 5 µm optional. Differential pressure drain and auto drain are available, special guide structure makes the flowing gas spin properly to seperate the water from compressed air and filter solid particals efficiently.  The complete series of filter regulator is offered with pressure gauge.
    DR Regulator
    DR regulator is an ecnomic replacement of FESTO D seriesLR/LRS regulator made in China,  it saves space and require less piping. Easy to hold when unlocked. it is a reliable compressed air preparation for applications in uncritical environments, freely combinable within the NTA D series FRL. Port thread M5, 1/8'', 1/4'', 3/8'', 1/2'', 3/4'', 1''. Working pressure from 0.15MPa to 1.2MPa, max input air pressure at 1.6MPa. Max flowrate from 500L/min to 11500L/min. The complete series of regulator is offered with pressure gauge. Panel mounting and fixed bracket mounting is optional.
    no data
    Send your inquiry
    Related Products
    no data

    Titan Automation - Professional pneumatic cylinder, air filter regulator, solenoid valve and pneumatic fitting supplier & manufacturer in China

    CONTACT US

      0086-136 1656 9784
      0086 136 1656 9784
      0086 136 1656 9784
      0086-574-8721 1981
      0086-574-8702 2814
      www.titan-automation.com

      jet@titan-automation.com

      NO.188,Nanshan North Road,Ningbo City,Zhejiang Province, China.
    Please contact us

    We are confident to say that our customization service is outsatnding.

    Copyright © 2026 NINGBO TITAN INDUSTRIAL AUTOMATION CO.,LTD. - www.titan-automation.com All Rights Reserved. | Sitemap
    Contact us
    whatsapp
    Contact customer service
    Contact us
    whatsapp
    cancel
    Customer service
    detect