loading

تيتان أوتوميشن - الشركة الرائدة في تصنيع الأسطوانات الهوائية & المورد المتخصص في أسطوانات الهواء الهوائية لتلبية احتياجات الأتمتة الصناعية.

JM Series Mechanical Valve 1
JM Series Mechanical Valve 1

JM Series Mechanical Valve

0 ~ 0.8mpa
2 المنفذ 2 موقف
تم ترشيح الهواء بواسطة عنصر مرشح 40μm
النوع الميكانيكي
G1/4

ضغط العمل
0 ~ 0.8mpa
Valvetype
2port2position
سائل
airfilteredby40¼mfilterelement
Actingtype
ميكانيكية
Portsizte
G1/4
5.0
design customization

    وجه الفتاة...!

    لا توجد بيانات المنتج.

    الذهاب إلى الصفحة الرئيسية

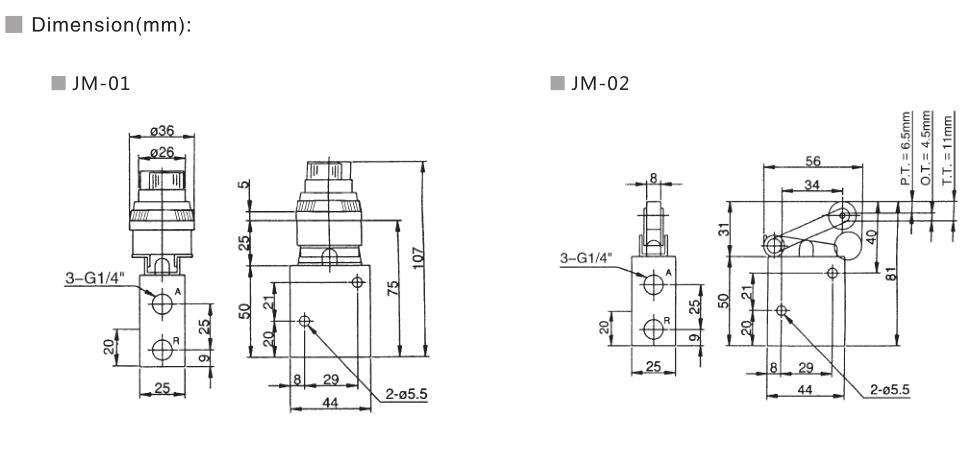
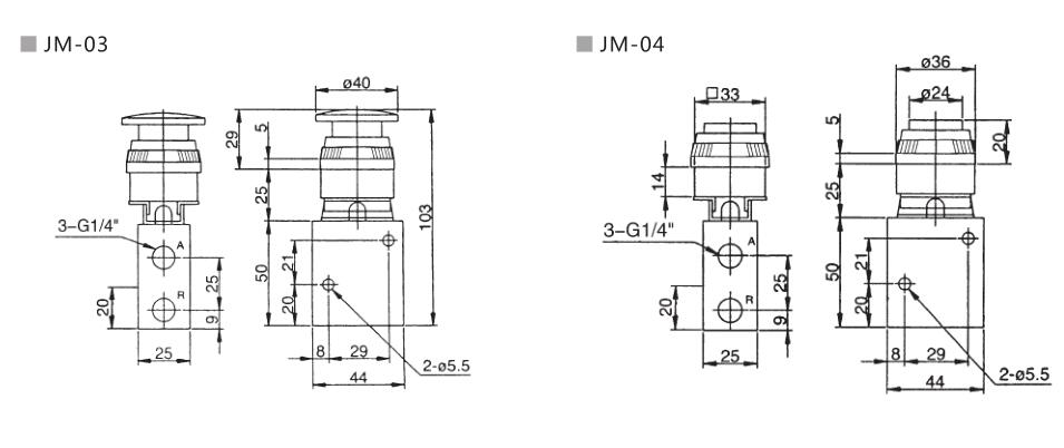
    مواصفة

    JM Series Mechanical Valve 2

    JM Series Mechanical Valve 3

    كيفية الطلب

    QQ截图20200313102650.jpg


    الرسومات

    JM Series Mechanical Valve 5

    JM Series Mechanical Valve 6

















































    مُستَحسَن
    4H Series 5/2 أو 5/3 صمام سحب اليد
    0 ~ 0.8mpa
    5 المنفذ 2 موقف/5 المنفذ 3 موقف
    تم ترشيح الهواء بواسطة عنصر مرشح 40μm
    النوع اليدوي
    G1/8 · G1/4 · G3/8 · G1/2
    صمام ميكانيكي سلسلة MOV
    0 ~ 0.8mpa
    2 المنفذ 2 موقف
    تم ترشيح الهواء بواسطة عنصر مرشح 40μm
    النوع الميكانيكي
    G1/8
    سلسلة HV Series Valve Valve
    0 ~ 0.8mpa
    4 المنفذ 2 موقف/4 موقف المنفذ 3
    تم ترشيح الهواء بواسطة عنصر مرشح 40μm
    النوع اليدوي
    G1/4 · G3/8 · G1/2
    4F سلسلة صمام القدم
    0 ~ 0.8mpa
    5 المنفذ 2 موقف
    تم ترشيح الهواء بواسطة عنصر مرشح 40μm
    النوع الميكانيكي
    G1/4
    لايوجد بيانات
    أرسل استفسارك
    المنتجات ذات الصلة
    لايوجد بيانات

    تيتان أوتوميشن - مورد محترف للأسطوانات الهوائية، ومنظم فلتر الهواء، وصمام الملف اللولبي، والتجهيزات الهوائية & الشركة المصنعة في الصين

    CONTACT US

      0086-136 1656 9784
      0086 136 1656 9784
      0086 136 1656 9784
      0086-574-8721 1981
      0086-574-8702 2814
      www.titan- automation.com

      jet@titan-automation.com

      رقم 188 ، طريق نانشان نورث ، مدينة نينغبو ، مقاطعة تشجيانغ ، الصين.
    الرجاء الاتصال بنا

    نحن واثقون من القول إن خدمة التخصيص الخاصة بنا رائعة.

    حقوق الطبع والنشر © 2025 Ningbo Titan Industrial Automation Co. ، Ltd. - www.titan-automation.com جميع الحقوق محفوظة. | خريطة sitemap
    اتصل بنا
    whatsapp
    اتصل بخدمة العملاء
    اتصل بنا
    whatsapp
    إلغاء
    Customer service
    detect